|
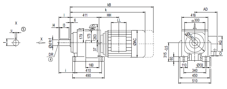
Монтажное исполнение на лапах D148, Z148

| d |
to1 |
l |
l4 |
l3 |
t |
u |
i |
DR |
90 *) |
m6 |
170 |
15 |
140 |
95 |
25 |
220 |
M24x50 |
100 |
m6 |
210 |
15 |
180 |
106 |
28 |
260 |
M24x50 |
| Мотор |
Z148
k |
kB |
D148
k |
kB |
AC |
AD |
AG |
LL |
Z148
HH |
D148
HH |
O |
Вес
Z148 D148 |
LA100L |
– |
– |
764.0 |
845.0 |
195.0 |
168.0 |
120 |
120 |
– |
135.0 |
2xM32x1.5 |
– |
313 |
LA100ZL |
– |
– |
834.0 |
915.0 |
195.0 |
168.0 |
120 |
120 |
– |
267.0 |
2xM32x1.5 |
– |
323 |
LA112M |
– |
– |
789.5 |
870.5 |
219.0 |
181.0 |
120 |
120 |
– |
136.5 |
2xM32x1.5 |
– |
324 |
LA112ZM |
– |
– |
817.5 |
898.5 |
219.0 |
181.0 |
120 |
120 |
– |
240.5 |
2xM32x1.5 |
– |
331 |
LA132S/M |
809.5 |
911.5 |
847.5 |
949.5 |
259.0 |
195.0 |
140 |
140 |
137.0 |
175.0 |
2xM32x1.5 |
325 |
336 |
LA132ZM |
855.5 |
957.5 |
893.5 |
995.5 |
259.0 |
195.0 |
140 |
140 |
245.0 |
283.0 |
2xM32x1.5 |
346 |
357 |
LA160M/L |
909.5 |
1 028.0 |
947.5 |
1 066.0 |
313.5 |
227.0 |
165 |
165 |
160.0 |
198.0 |
2xM40x1.5 |
359 |
371 |
LA160ZL |
957.5 |
1 076.0 |
995.5 |
1 114.0 |
313.5 |
227.0 |
165 |
165 |
313.0 |
351.0 |
2xM40x1.5 |
398 |
410 |
LG180M/L |
969.0 |
1 091.0 |
1 007.0 |
1 129.0 |
348.0 |
322.5 |
260 |
192 |
177.0 |
215.0 |
2xM40x1.5 |
455 |
467 |
LG180ZM/ZL |
1 020.0 |
1 142.0 |
1 058.0 |
1 180.0 |
348.0 |
322.5 |
260 |
192 |
177.0 |
215.0 |
2xM40x1.5 |
485 |
497 |
LG200L |
1 025.0 |
1 151.0 |
1 063.0 |
1 189.0 |
385.0 |
301.0 |
260 |
192 |
207.0 |
245.0 |
2xM50x1.5 |
535 |
547 |
LG225S |
1 096.0 |
1 335.0 |
1 134.0 |
1 373.0 |
442.0 |
325.0 |
260 |
192 |
243.0 |
281.0 |
2xM50x1.5 |
608 |
621 |
LG225M |
1 096.0 |
1 335.0 |
1 134.0 |
1 373.0 |
442.0 |
325.0 |
260 |
192 |
243.0 |
281.0 |
2xM50x1.5 |
596 |
609 |
LG225ZM |
1 156.0 |
1 395.0 |
1 194.0 |
1 433.0 |
442.0 |
325.0 |
260 |
192 |
243.0 |
281.0 |
2xM50x1.5 |
654 |
667 |
LG250M |
1 189.5 |
1 414.5 |
– |
– |
495.0 |
392.0 |
300 |
236 |
278.5 |
– |
2xM63x1.5 |
698 |
– |
LG250ZM |
1 259.5 |
1 485.0 |
– |
– |
495.0 |
392.0 |
300 |
236 |
278.5 |
– |
2xM63x1.5 |
801 |
– |
K4-LGI280S |
1 468.5 |
1 695.5 |
– |
– |
555.0 |
432.0 |
300 |
236 |
489.5 |
– |
2xM63x1.5 |
929 |
– |
K4-LGI280M |
1 468.5 |
1 695.5 |
– |
– |
555.0 |
432.0 |
300 |
236 |
489.5 |
– |
2xM63x1.5 |
941 |
– |
K4-LGI280ZM |
1 578.5 |
1 805.5 |
– |
– |
555.0 |
432.0 |
300 |
236 |
489.5 |
– |
2xM63x1.5 |
1 029 |
– |
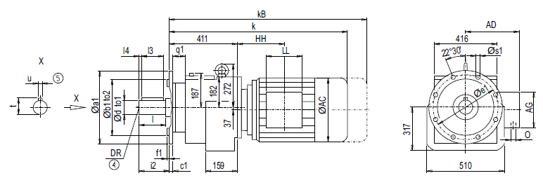
Монтажное исполнение на фланце DF/ZF148 (тип A)

| Фланец |
a1 |
b1 |
to2 |
c1 |
e1 |
f1 |
q1 |
s1 |
d |
to1 |
l |
l4 |
l3 |
t |
u |
i2 |
DR |
A450 |
450 |
350 |
h6 |
22 |
400 |
5 |
68 |
17.5 |
90 *) |
m6 |
170 |
15 |
140 |
95 |
25 |
170 |
M24x50 |
100 |
m6 |
210 |
15 |
180 |
106 |
28 |
210 |
M24x50 |
A550 |
550 |
450 |
h6 |
25 |
500 |
5 |
65 |
17.5 |
90 *) |
m6 |
170 |
15 |
140 |
95 |
25 |
170 |
M24x50 |
100 |
m6 |
210 |
15 |
180 |
106 |
28 |
210 |
M24x50 |
| Мотор |
ZF148
k |
kB |
DF148
k |
kB |
AC |
AD |
AG |
LL |
ZF148
HH |
DF148
HH |
O |
Вес
ZF148 DF148 |
LA100L |
– |
– |
764.0 |
845.0 |
195.0 |
168.0 |
120 |
120 |
– |
135.0 |
2xM32x1.5 |
– |
307 |
LA100ZL |
– |
– |
834.0 |
915.0 |
195.0 |
168.0 |
120 |
120 |
– |
267.0 |
2xM32x1.5 |
– |
317 |
LA112M |
– |
– |
789.5 |
870.5 |
219.0 |
181.0 |
120 |
120 |
– |
136.5 |
2xM32x1.5 |
– |
318 |
LA112ZM |
– |
– |
817.5 |
898.5 |
219.0 |
181.0 |
120 |
120 |
– |
240.5 |
2xM32x1.5 |
– |
325 |
LA132S/M |
809.5 |
911.5 |
847.5 |
949.5 |
259.0 |
195.0 |
140 |
140 |
137.0 |
175.0 |
2xM32x1.5 |
319 |
330 |
LA132ZM |
855.5 |
957.5 |
893.5 |
995.5 |
259.0 |
195.0 |
140 |
140 |
245.0 |
283.0 |
2xM32x1.5 |
340 |
351 |
LA160M/L |
909.5 |
1 028.0 |
947.5 |
1 066.0 |
313.5 |
227.0 |
165 |
165 |
160.0 |
198.0 |
2xM40x1.5 |
353 |
365 |
LA160ZL |
957.5 |
1 076.0 |
995.5 |
1 114.0 |
313.5 |
227.0 |
165 |
165 |
313.0 |
351.0 |
2xM40x1.5 |
392 |
404 |
LG180M/L |
969.0 |
1 091.0 |
1 007.0 |
1 129.0 |
348.0 |
322.5 |
260 |
192 |
177.0 |
215.0 |
2xM40x1.5 |
449 |
461 |
LG180ZM/ZL |
1 020.0 |
1 142.0 |
1 058.0 |
1 180.0 |
348.0 |
322.5 |
260 |
192 |
177.0 |
215.0 |
2xM40x1.5 |
479 |
491 |
LG200L |
1 025.0 |
1 151.0 |
1 063.0 |
1 189.0 |
385.0 |
301.0 |
260 |
192 |
207.0 |
245.0 |
2xM50x1.5 |
529 |
541 |
LG225S |
1 096.0 |
1 335.0 |
1 134.0 |
1 373.0 |
442.0 |
325.0 |
260 |
192 |
243.0 |
281.0 |
2xM50x1.5 |
602 |
615 |
LG225M |
1 096.0 |
1 335.0 |
1 134.0 |
1 373.0 |
442.0 |
325.0 |
260 |
192 |
243.0 |
281.0 |
2xM50x1.5 |
590 |
603 |
LG225ZM |
1 156.0 |
1 395.0 |
1 194.0 |
1 433.0 |
442.0 |
325.0 |
260 |
192 |
243.0 |
281.0 |
2xM50x1.5 |
648 |
661 |
LG250M |
1 189.5 |
1 414.5 |
– |
– |
495.0 |
392.0 |
300 |
236 |
278.5 |
– |
2xM63x1.5 |
692 |
– |
LG250ZM |
1 259.5 |
1 485.0 |
– |
– |
495.0 |
392.0 |
300 |
236 |
278.5 |
– |
2xM63x1.5 |
795 |
– |
K4-LGI280S |
1 468.5 |
1 695.5 |
– |
– |
555.0 |
432.0 |
300 |
236 |
489.5 |
– |
2xM63x1.5 |
923 |
– |
K4-LGI280M |
1 468.5 |
1 695.5 |
– |
– |
555.0 |
432.0 |
300 |
236 |
489.5 |
– |
2xM63x1.5 |
941 |
– |
K4-LGI280ZM |
1 578.5 |
1 805.5 |
– |
– |
555.0 |
432.0 |
300 |
236 |
489.5 |
– |
2xM63x1.5 |
1 029 |
– |
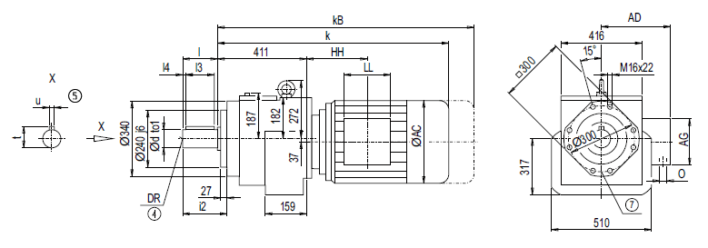
Монтажное исполнение на фланце DZ/ZZ148 (тип С)

| d |
to1 |
l |
l4 |
l3 |
t |
u |
i2 |
DR |
90 *) |
m6 |
170 |
15 |
140 |
95 |
25 |
203 |
M24x50 |
100 |
m6 |
210 |
15 |
180 |
106 |
28 |
243 |
M24x50 |
| Мотор |
ZZ148
k |
kB |
DZ148
k |
kB |
AC |
AD |
AG |
LL |
ZZ148
HH |
DZ148
HH |
O |
Вес
ZZ148 DZ148 |
LA100L |
– |
– |
764.0 |
845.0 |
195.0 |
168.0 |
120 |
120 |
– |
135.0 |
2xM32x1.5 |
– |
283 |
LA100ZL |
– |
– |
834.0 |
915.0 |
195.0 |
168.0 |
120 |
120 |
– |
267.0 |
2xM32x1.5 |
– |
293 |
LA112M |
– |
– |
789.5 |
870.5 |
219.0 |
181.0 |
120 |
120 |
– |
136.5 |
2xM32x1.5 |
– |
294 |
LA112ZM |
– |
– |
817.5 |
898.5 |
219.0 |
181.0 |
120 |
120 |
– |
240.5 |
2xM32x1.5 |
– |
301 |
LA132S/M |
809.5 |
911.5 |
847.5 |
949.5 |
259.0 |
195.0 |
140 |
140 |
137.0 |
175.0 |
2xM32x1.5 |
302 |
306 |
LA132ZM |
855.5 |
957.5 |
893.5 |
995.5 |
259.0 |
195.0 |
140 |
140 |
245.0 |
283.0 |
2xM32x1.5 |
323 |
327 |
LA160M/L |
909.5 |
1 028.0 |
947.5 |
1 066.0 |
313.5 |
227.0 |
165 |
165 |
160.0 |
198.0 |
2xM40x1.5 |
336 |
341 |
LA160ZL |
957.5 |
1 076.0 |
995.5 |
1 114.0 |
313.5 |
227.0 |
165 |
165 |
313.0 |
351.0 |
2xM40x1.5 |
375 |
380 |
LG180M/L |
969.0 |
1 091.0 |
1 007.0 |
1 129.0 |
348.0 |
322.5 |
260 |
192 |
177.0 |
215.0 |
2xM40x1.5 |
432 |
437 |
LG180ZM/ZL |
1 020.0 |
1 142.0 |
1 058.0 |
1 180.0 |
348.0 |
322.5 |
260 |
192 |
177.0 |
215.0 |
2xM40x1.5 |
462 |
467 |
LG200L |
1 025.0 |
1 151.0 |
1 063.0 |
1 189.0 |
385.0 |
301.0 |
260 |
192 |
207.0 |
245.0 |
2xM50x1.5 |
512 |
517 |
LG225S |
1 096.0 |
1 335.0 |
1 134.0 |
1 373.0 |
442.0 |
325.0 |
260 |
192 |
243.0 |
281.0 |
2xM50x1.5 |
585 |
547 |
LG225M |
1 096.0 |
1 335.0 |
1 134.0 |
1 373.0 |
442.0 |
325.0 |
260 |
192 |
243.0 |
281.0 |
2xM50x1.5 |
573 |
591 |
LG225ZM |
1 156.0 |
1 395.0 |
1 194.0 |
1 433.0 |
442.0 |
325.0 |
260 |
192 |
243.0 |
281.0 |
2xM50x1.5 |
631 |
637 |
LG250M |
1 189.5 |
1 414.5 |
– |
– |
495.0 |
392.0 |
300 |
236 |
278.5 |
– |
2xM63x1.5 |
675 |
– |
LG250ZM |
1 259.5 |
1 485.0 |
– |
– |
495.0 |
392.0 |
300 |
236 |
278.5 |
– |
2xM63x1.5 |
778 |
– |
K4-LGI280S |
1 468.5 |
1 695.5 |
– |
– |
555.0 |
432.0 |
300 |
236 |
489.5 |
– |
2xM63x1.5 |
906 |
– |
K4-LGI280M |
1 468.5 |
1 695.5 |
– |
– |
555.0 |
432.0 |
300 |
236 |
489.5 |
– |
2xM63x1.5 |
918 |
– |
K4-LGI280ZM |
1 578.5 |
1 805.5 |
– |
– |
555.0 |
432.0 |
300 |
236 |
489.5 |
– |
2xM63x1.5 |
1 006 |
– |
|