|
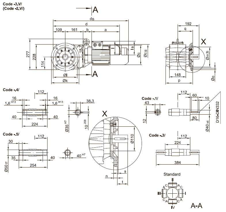
Фланец со сквозными отверстиями

BK30(Z) |
k
|
l
|
m |
n |
о |
р |
q |
s |
t
|
стандартный-3.V/ |
250 |
215 |
180 |
16 |
13.5 |
242 |
135 |
4 |
57 |
малый -2.V/ |
200 |
165 |
130 |
12 |
11 |
239 |
132 |
3.5 |
60 |
Тип |
a |
b |
c |
d |
l
|
Исполнение с тормозом |
lв |
Е003 |
Е004 |
Е008 |
Z008 |
Z015 |
Е075 |
Св |
dв |
Св |
dв |
Св |
dв |
Св |
dв |
Св |
dв |
Св |
dв |
BK30-../D05.. |
170 |
58 |
123 |
499 |
100 |
100 |
123 |
541 |
|
|
|
|
|
|
|
|
|
|
BK30Z-../D05.. |
170 |
133.5 |
123 |
574 |
100 |
100 |
123 |
616 |
|
|
|
|
|
|
|
|
|
|
BK30-../D06.. |
170 |
58 |
123 |
499 |
100 |
100 |
123 |
541 |
|
|
|
|
|
|
|
|
|
|
BK30Z-../D06.. |
170 |
133.5 |
123 |
574 |
100 |
100 |
123 |
616 |
|
|
|
|
|
|
|
|
|
|
BK30-../D07.. |
190 |
58 |
123 |
519 |
100 |
100 |
123 |
561 |
123 |
561 |
|
|
|
|
|
|
|
|
BK30Z-../D07.. |
190 |
133.5 |
123 |
594 |
100 |
100 |
123 |
636 |
123 |
636 |
|
|
|
|
|
|
|
|
BK30-../D08.. |
200 |
62 |
156 |
532 |
115 |
115 |
|
|
|
|
166 |
607 |
|
|
|
|
|
|
BK30Z-../D08.. |
200 |
137.5 |
156 |
607 |
115 |
115 |
|
|
|
|
166 |
682 |
|
|
|
|
|
|
BK30-../D09.. |
251 |
76.5 |
181 |
597 |
124 |
124 |
|
|
|
|
192 |
677 |
192 |
691 |
192 |
697 |
|
|
BK30Z-../D09.. |
251 |
152 |
181 |
673 |
124 |
124 |
|
|
|
|
192 |
752 |
192 |
766 |
192 |
772 |
|
|
BK30-../D11.. |
319 |
83 |
228 |
672 |
181 |
181 |
|
|
|
|
|
|
|
|
231 |
774.5 |
231 |
804.5 |
Исполнение с моментным рычагом

Фланец резьбовыми отверстиями впереди

Лапы с резьбовыми отверстиями внизу

Лапы со сквозными отверстиями внизу

|