|
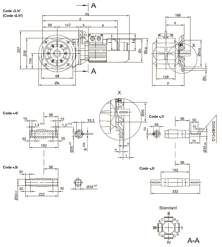
Фланец со сквозными отверстиями

ВК20 (Z) |
k
|
l
|
m |
n |
o |
p |
q |
s
|
t |
стандартный -3.V/ |
250 |
215 |
180 |
16 |
13,5 |
215,5 |
124 |
4 |
42 |
малый -2.V/ |
200 |
165 |
130 |
12 |
11 |
206,5 |
115 |
3.5 |
51 |
Тип |
a |
b |
c |
d |
l
|
Исполнение с тормозом |
lв |
Е003 |
Е004 |
Е008 |
Z008 |
Z015 |
|
св |
dв |
св |
dв |
св |
dв |
св |
dв |
св |
dв |
|
|
BK20Z-../D04.. |
143 |
100 |
111 |
489 |
90 |
90 |
111 |
532 |
|
|
|
|
|
|
|
|
|
|
BK20-../D05.. |
170 |
60 |
123 |
477 |
100 |
100 |
123 |
519 |
|
|
|
|
|
|
|
|
|
|
BK20Z-..ID05.. |
170 |
102 |
123 |
519 |
100 |
100 |
123 |
561 |
|
|
|
|
|
|
|
|
|
|
BK20-../D06.. |
170 |
60 |
123 |
477 |
100 |
100 |
123 |
519 |
|
|
|
|
|
|
|
|
|
|
BK20Z-../D06.. |
170 |
102 |
123 |
519 |
100 |
100 |
123 |
561 |
|
|
|
|
|
|
|
|
|
|
BK20-../D07.. |
190 |
60 |
123 |
497 |
100 |
100 |
123 |
539 |
123 |
539 |
|
|
|
|
|
|
|
|
BK20Z-../D07.. |
190 |
102 |
123 |
539 |
100 |
100 |
123 |
581 |
123 |
581 |
|
|
|
|
|
|
|
|
BK20-../D08.. |
200 |
64 |
156 |
510 |
115 |
115 |
|
|
|
|
166 |
585 |
|
|
|
|
|
|
BK20Z-../D08.. |
200 |
146 |
156 |
592 |
115 |
115 |
|
|
|
|
166 |
667 |
|
|
|
|
|
|
BK20-../D09.. |
251 |
78.5 |
181 |
575 |
124 |
124 |
|
|
|
|
192 |
655 |
192 |
669 |
192 |
678 |
|
|
Исполнение с моментным рычагом

Фланец резьбовыми отверстиями впереди

Лапы с резьбовыми отверстиями внизу

Лапы со сквозными отверстиями внизу

|