|
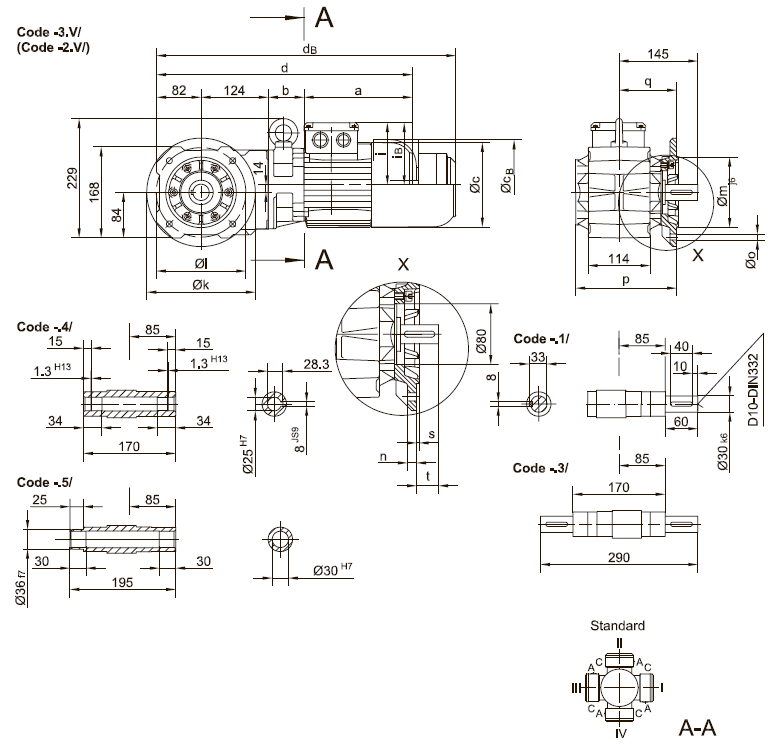
Фланец со сквозными отверстиями

BK10(Z) |
k |
l
|
m |
n |
о |
р |
q |
s |
t
|
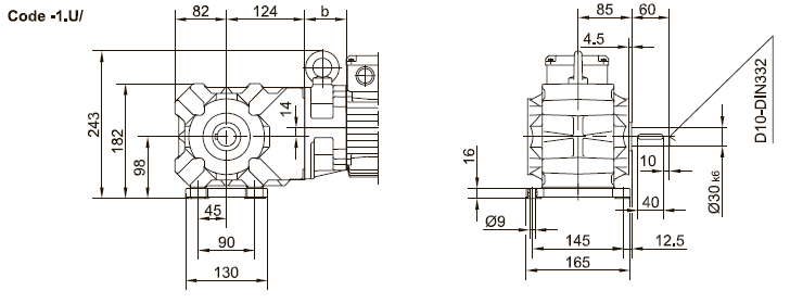
стандартный -3.V/ |
200 |
165 |
130 |
12 |
11 |
186.5 |
106 |
3.5 |
39 |
малый -2.V |
160 |
130 |
110 |
10 |
9 |
179.5 |
99 |
3.5 |
46 |
Тип |
a |
b |
c |
d |
l
|
Исполнение с тормозом |
lв |
Е003 |
Е004 |
Е008 |
Z008 |
Z015 |
|
cв |
dв |
cв |
dв |
cв |
dв |
cв |
dв |
cв |
dв |
|
|
BK10Z-../D04.. |
143 |
86 |
111 |
435 |
90 |
90 |
111 |
478 |
|
|
|
|
|
|
|
|
|
|
BK10-../D05.. |
170 |
62 |
123 |
439 |
100 |
100 |
123 |
481 |
|
|
|
|
|
|
|
|
|
|
BK10Z-../D05.. |
170 |
88 |
123 |
465 |
100 |
100 |
123 |
507 |
|
|
|
|
|
|
|
|
|
|
ВК10-../006.. |
170 |
62 |
123 |
439 |
100 |
100 |
123 |
481 |
|
|
|
|
|
|
|
|
|
|
BK10Z-../D06.. |
170 |
88 |
123 |
465 |
100 |
100 |
123 |
507 |
|
|
|
|
|
|
|
|
|
|
BK10-../D07.. |
190 |
62 |
123 |
459 |
100 |
100 |
123 |
501 |
123 |
501 |
|
|
|
|
|
|
|
|
BK10Z-../D07.. |
190 |
88 |
123 |
485 |
100 |
100 |
123 |
527 |
123 |
527 |
|
|
|
|
|
|
|
|
BK10-../D08.. |
200 |
66 |
156 |
472 |
115 |
115 |
|
|
|
|
166 |
547 |
|
|
|
|
|
|
BK10Z-../D08.. |
200 |
132 |
156 |
538 |
115 |
115 |
|
|
|
|
166 |
613 |
|
|
|
|
|
|
ВК10-../009.. |
251 |
80.5 |
181 |
537 |
124 |
124 |
|
|
|
|
192 |
617 |
192 |
631 |
192 |
637 |
|
|
Исполнение с моментным рычагом

Фланец резьбовыми отверстиями впереди

Лапы с резьбовыми отверстиями внизу

Лапы со сквозными отверстиями внизу

|