|
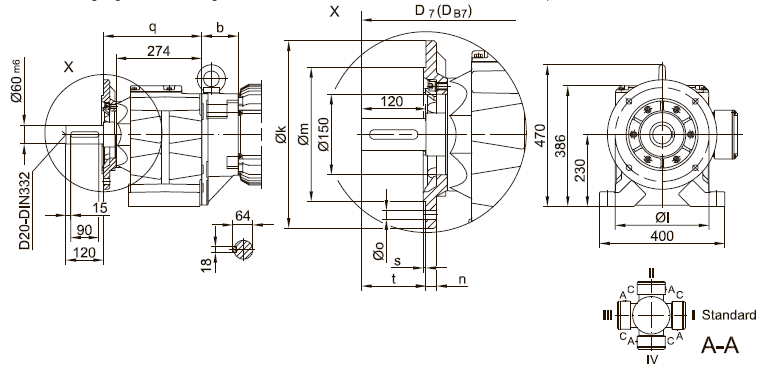
Вариант исполнения на лапах

Фланец со сквозными отверстиями

BG70(Z) |
k |
I |
m |
n |
o |
q |
s |
t
|
D7
|
Dв7
|
стандартный -37/ |
350 |
300 |
250h6 |
20 |
17.5 |
314 |
5 |
120 |
d+30.5 |
dв+30.5 |
малый -27/ |
300 |
265 |
230 j6 |
20 |
13.5 |
322 |
4 |
112 |
d+30.5 |
dв+30.5 |
Тип |
a |
b |
c |
d |
i
|
Исполнение с тормозом |
iв |
ЕОО8 |
Z008 |
Z015 |
ЕО75 |
|
|
СВ |
dв |
СВ |
dв |
СВ |
dв |
СВ |
dв |
|
|
|
|
BG70Z-../D08.. |
200 |
202 |
156 |
805 |
115 |
115 |
166 |
880 |
|
|
|
|
|
|
|
|
|
|
BG70-../009.. |
251 |
83.5 |
181 |
739 |
124 |
124 |
192 |
817 |
192 |
831 |
192 |
837 |
|
|
|
|
|
|
BG70Z-../D09.. |
251 |
216.5 |
181 |
872 |
124 |
124 |
192 |
950 |
192 |
964 |
192 |
970 |
|
|
|
|
|
|
BG70-../D11.. |
319 |
90 |
228 |
813 |
181 |
185 |
|
|
|
|
231 |
915 |
231 |
945 |
|
|
|
|
BG70Z-../011.. |
319 |
223 |
228 |
946 |
181 |
185 |
|
|
|
|
231 |
1048 |
231 |
1078 |
|
|
|
|
Тип |
a |
b |
c |
d |
i |
iв |
ЕО75 |
Z075 |
Z100 |
Е500 |
|
|
СВ |
dв |
СВ |
dв |
СВ |
dв |
СВ |
dв |
|
|
|
|
BG70-../D13.. |
393 |
103 |
266 |
900 |
217 |
217 |
277 |
1034 |
277 |
1054 |
|
|
|
|
|
|
|
|
BG70Z-../D13.. |
393 |
236 |
266 |
1033 |
217 |
217 |
277 |
1167 |
277 |
1187 |
|
|
|
|
|
|
|
|
BG70-../D16.. |
429 |
117 |
322 |
950 |
243 |
243 |
326 |
1082 |
326 |
1102 |
326 |
1121 |
|
|
|
|
|
|
BG70Z-../016.. |
429 |
250 |
322 |
1083 |
243 |
243 |
326 |
1215 |
326 |
1235 |
326 |
1254 |
|
|
|
|
|
|
BG70-../D18.. |
528 |
139 |
368 |
1070 |
288 |
288 |
|
|
|
|
366 |
1251 |
366 |
1231 |
|
|
|
|
|