|
Вариант исполнения на лапах

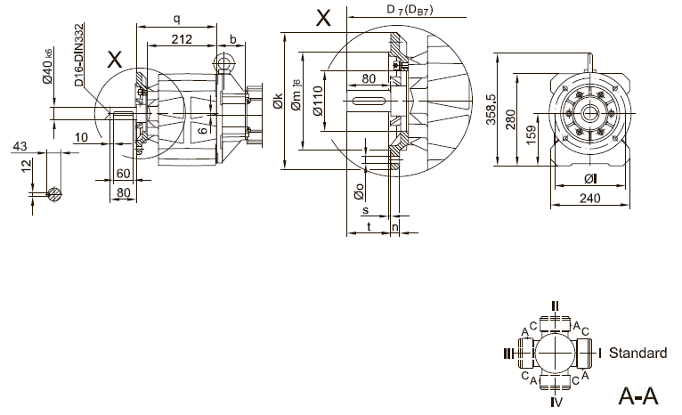
Фланец со сквозными отверстиями

BG50(Z) |
k |
i
|
m |
n |
о |
q |
s |
t
|
D7 |
Db7 |
стандартный -37/ |
250 |
215 |
180 |
16 |
13.5 |
244 |
4 |
80 |
d+23.5 |
dв+23.5 |
малый -27/ |
200 |
165 |
130 |
12 |
11 |
241 |
3.5 |
83 |
d+23.5 |
dв+23.5 |
Тип |
a |
b |
c |
d |
i
|
Исполнение с тормозом |
iв |
ЕООЗ |
ЕОО4 |
ЕОО8 |
Z008 |
Z015 |
Е075 |
Z075 |
Z100 |
св |
dв |
св |
dв |
св |
dв |
св |
dв |
св |
dв |
св |
dв |
св |
dв |
св |
dв |
BG50Z-../D05.. |
170 |
155 |
123 |
626 |
100 |
100 |
123 |
668 |
|
|
|
|
|
|
|
|
|
|
|
|
|
|
BG50Z-../D06.. |
170 |
155 |
123 |
626 |
100 |
100 |
123 |
668 |
|
|
|
|
|
|
|
|
|
|
|
|
|
|
BG50Z-../D07.. |
190 |
155 |
123 |
646 |
100 |
100 |
123 |
688 |
123 |
688 |
|
|
|
|
|
|
|
|
|
|
|
|
BG50-../D08.. |
200 |
73 |
156 |
573 |
115 |
115 |
|
|
|
|
166 |
648 |
|
|
|
|
|
|
|
|
|
|
BG50Z-../D08.. |
200 |
159 |
156 |
659 |
115 |
115 |
|
|
|
|
166 |
734 |
|
|
|
|
|
|
|
|
|
|
BG50-../D09.. |
251 |
87.5 |
181 |
639 |
124 |
124 |
|
|
|
|
192 |
718 |
192 |
732 |
192 |
738 |
|
|
|
|
|
|
BG50Z-../D09.. |
251 |
173.5 |
181 |
725 |
124 |
124 |
|
|
|
|
192 |
804 |
192 |
818 |
192 |
824 |
|
|
|
|
|
|
BG50-../D11.. |
319 |
94 |
228 |
714 |
181 |
181 |
|
|
|
|
|
|
|
|
231 |
816 |
231 |
846 |
|
|
|
|
BG50-../D13.. |
393 |
107 |
266 |
801 |
217 |
217 |
|
|
|
|
|
|
|
|
|
|
277 |
935 |
277 |
955 |
|
|
BG50-../D16.. |
429 |
121 |
322 |
851 |
243 |
243 |
|
|
|
|
|
|
|
|
|
|
326 |
983 |
326 |
1003 |
326 |
1022 |
|