
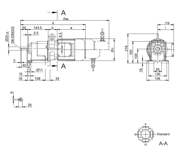
Габаритно-присоединительные размеры BG15 |
| |
|
Вариант исполнения на лапах

| Тип |
a |
b |
c |
d |
i |
|
i TB |
ES../ZS.. |
G |
ES../ZS..-G |
RR/RL |
d ML |
d ML |
d ML |
d ML |
BG15Z-../D04.. |
143 |
86 |
111 |
423,5 |
90 |
124.5 |
466.5 |
486 |
523 |
- |
BG15-../D05.. |
170 |
62 |
123 |
426,5 |
100 |
129.5 |
468.5 |
530.5 |
572.5 |
- |
BG15Z../D05.. |
170 |
88 |
123 |
452,5 |
100 |
129.5 |
494.5 |
466.5 |
659.5 |
- |
BG15-../D06.. |
170 |
62 |
123 |
426,5 |
100 |
131.5 |
468.5 |
530.5 |
572.5 |
- |
BG15Z-../D06.. |
170 |
88 |
123 |
452,5 |
100 |
131.5 |
494.5 |
556.5 |
659.5 |
- |
BG15-../D07.. |
190 |
62 |
123 |
446,5 |
100 |
131.5 |
488.5 |
550.5 |
592.5 |
- |
BG15Z-../D07.. |
190 |
88 |
123 |
472,5 |
100 |
131.5 |
514.5 |
576.5 |
679.5 |
- |
BG15-../D..08.. |
200 |
66 |
156 |
460,5 |
115 |
149.5 |
526.5 |
567.5 |
633.5 |
526.5 |
| BG15Z-../D..08.. |
200 |
132 |
156 |
526,5 |
115 |
149.5 |
592.5 |
633.5 |
699.5 |
592.5 |
BG15-../D..09.. |
251 |
80.5 |
181 |
526 |
124 |
164 |
516.5 |
632.5 |
721.5 |
612.5 |
|
| |