
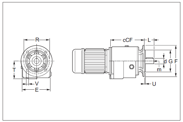
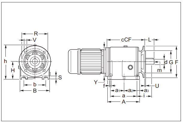
Габаритно-присоединительные размеры AMP 80, ACP 80, AMF 80, ACF 80, AMP/F 80, ACP/F 80, AMP/F1 80, ACP/F1 80 |
| |
|
Вариант исполнения AMP 80

Вариант исполнения ACP 80

AM AC AR |
a |
a1 |
a2 |
a3 |
A |
b |
B |
cRP |
d h6 |
d1 j6 |
f |
h |
H |
i |
L |
L1 |
LRP |
m |
m1 |
Q |
S |
50 |
130 |
|
|
12.5 |
155 |
110 |
145 |
227 |
25 |
16 |
9.5 |
170 |
90 |
75 |
50 |
40 |
317 |
M8 |
M6 |
— |
15 |
|
|
(24) (30) |
(75) (85) |
(50) (60) |
(317) (327) |
(M8) (M10) |
55 |
165 |
|
|
15 |
195 |
135 |
180 |
/2 238.5 |
30 |
16 |
14 |
203 |
115 |
90 |
|
40 |
/2 338.5 |
M10 |
M6 |
11 |
23 |
|
|
/3 257.0 |
60 |
/3 357.0 |
60 |
165 |
|
|
15 |
195 |
135 |
185 |
269 |
30
(28) (35) |
19 |
14 |
210 |
115 |
90
(90) (100) |
60
(60) (70) |
40 |
369
(369) (379) |
M10 (M10)
(M10) |
M6 |
— |
20 |
70 |
195 |
|
|
20 |
235 |
150 |
210 |
/2 266.5 |
35 |
19 |
14 |
233 |
130 |
100 |
70 |
40 |
/2 376.5 |
M10 |
M6 |
13.5 |
23 |
|
|
/3 288.5 |
/3 398.5 |
80 |
205 |
— |
— |
20 |
245 |
170 |
230 |
309.5 |
40
(38) |
24 |
20 |
265 |
140 |
115
(115) |
80
(80) |
50 |
440
(440) |
M10 (M10) |
M8 |
— |
25 |
90 |
260 |
|
|
25 |
310 |
215 |
280 |
/2 332.5 |
50 |
24 |
20 |
307 |
195 |
140 |
100 |
50 |
/2 482.5 |
M12 |
M8 |
39.5 |
35 |
|
|
/3 347.5 |
(48) |
/3 497.5 |
(M12) |
100 |
260 |
|
|
21 |
306 |
215 |
290 |
395 |
50 |
28 |
20 |
322 |
180 |
140 |
100 |
60 |
555 |
M12 |
M8 |
— |
35 |
|
|
(48) |
(140) |
(100) |
(555) |
(M12) |
110 |
310 |
|
|
25 |
360 |
250 |
320 |
422 |
60 |
28 |
23 |
351 |
225 |
160 |
120 |
60 |
602 |
M12 |
M8 |
36 |
35 |
120 |
310 |
|
|
27.5 |
365 |
250 |
350 |
460 |
60 |
38 |
23 |
415 |
225 |
160 |
120 |
80 |
660 |
M12 |
M10 |
— |
45 |
140 |
370 |
|
|
35 |
440 |
290 |
400 |
/2 458.5 |
70 |
38 |
27 |
423 |
270 |
185 |
140 |
110 |
/2 708.5 |
M16 |
M10 |
41.4 |
60 |
|
|
/3 508.0 |
/3 758.0 |
AMP |
IEC |
50 |
55 |
60 |
70 |
80 |
90 |
100 |
110 |
120 |
140 |
Y |
cMP |
Y |
cMP |
Y |
cMP |
Y |
cMP |
Y |
cMP |
Y |
cMP |
Y |
cMP |
Y |
cMP |
Y |
cMP |
Y |
cMP |
AMP../2 |
B5 |
140 |
198 |
160 |
233.5 |
160 |
235 |
200 |
284.5 |
200 |
291 |
250 |
313 |
250 |
347.4 |
250 |
374 |
250 |
409 |
300 |
465 |
160 |
198 |
200 |
233.5 |
200 |
250 |
250 |
284.5 |
250 |
303 |
300 |
345 |
300 |
347.4 |
300 |
374 |
300 |
409 |
350 |
474 |
200 |
218 |
250 |
244 |
250 |
260 |
300 |
284.5 |
300 |
322 |
350 |
364 |
350 |
411.4 |
350 |
438 |
350 |
451.5 |
400 |
479 |
250 |
228 |
— |
300 |
284 |
— |
350 |
352 |
— |
400 |
416.4 |
400 |
443 |
400 |
456.5 |
450 |
519 |
— |
450 |
465.5 |
550 |
519 |
B14 |
120 |
218 |
120 |
233.5 |
120 |
250 |
200 |
284.5 |
— |
200 |
347.4 |
200 |
374 |
200 |
409 |
— |
140 |
218 |
140 |
233.5 |
140 |
250 |
— |
— |
— |
— |
160 |
228 |
160 |
244 |
160 |
260 |
160 |
262 |
— |
200 |
284 |
— |
AMP../3 |
B5 |
140 |
198 |
140 |
228 |
160 |
235 |
160 |
254.5 |
200 |
291 |
200 |
338.5 |
200 |
340.4 |
200 |
367 |
200 |
392 |
250 |
457 |
160 |
198 |
160 |
228 |
200 |
250 |
200 |
269.5 |
250 |
301 |
250 |
331 |
250 |
350.4 |
250 |
377 |
250 |
410 |
300 |
457 |
200 |
218 |
200 |
238 |
250 |
260 |
250 |
279.5 |
— |
300 |
370.4 |
300 |
397 |
300 |
421 |
350 |
499.5 |
— |
— |
400 |
504.5 |
450 |
513.5 |
— |
B14 |
120 |
218 |
120 |
238 |
120 |
250 |
120 |
269.5 |
— |
200 |
457 |
140 |
218 |
140 |
238 |
140 |
250 |
140 |
269.5 |
— |
— |
160 |
260 |
160 |
279.5 |
ACP |
|
50 |
55 |
60 |
70 |
80 |
90 |
cCF |
ACP../2 |
159 |
— |
191 |
— |
234 |
— |
ACP../3 |
159 |
189 |
191 |
210.5 |
234 |
271 |
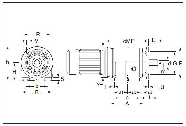
Вариант исполнения AMF 80

Вариант исполнения ACF 80

AM AC AR |
cRF |
d h6 |
d1 j6 |
E |
L |
L1 |
LRF |
m |
m1 |
Q |
T |
50 |
235 |
25
(24) (30) |
16 |
145 |
50
(50) (60) |
40 |
325
(325) (335) |
M8 (M8) (M10) |
M6 |
— |
89.5 |
55 |
/2 238
/3 256.5 |
30 |
16 |
186 |
60 |
40 |
/2 338
/3 356.5 |
M10 |
M6 |
11 |
114 |
60 |
280 |
30
(28) (35) |
19 |
185 |
60
(60) (70) |
40 |
380
(380) (390) |
M10 (M10) (M10) |
M6 |
— |
114 |
70 |
/2 266.5
/3 288.5 |
35 |
19 |
212 |
70 |
40 |
/2 376.5
/3 398.5 |
M10 |
M6 |
13.5 |
129 |
80 |
317 |
40
(38) |
24 |
230 |
80
(80) |
50 |
447
(447) |
M10 (M10) |
M8 |
— |
139 |
90 |
/2 332.5
/3 347.5 |
50
(48) |
24 |
264 |
100 |
50 |
/2 482.5
/3 497.5 |
M12 (M12) |
M8 |
39.5 |
192.5 |
100 |
395 |
50
(48) |
28 |
290 |
100
(100) |
60 |
555
(555) |
M12 (M12) |
M8 |
— |
178 |
110 |
422 |
60 |
28 |
314 |
120 |
60 |
602 |
M12 |
M8 |
36 |
222 |
120 |
491 |
60 |
38 |
350 |
120 |
80 |
691 |
M12 |
M10 |
— |
225 |
140 |
/2 458.5
/3 508.0 |
70 |
38 |
414 |
140 |
110 |
/2 708.5
/3 758.0 |
M16 |
M10 |
41.4 |
322 |
|
AMF.. - ACF.. |
50 |
55 |
60 |
70 |
80 |
90 |
100 |
110 |
120 |
140 |
F1 |
F2 |
F3 |
F4 |
F1 |
F2 |
F3 |
F1 |
F2 |
F3 |
F1 |
F2 |
F1 |
F2 |
F1 |
F2 |
F1 |
F2 |
F1 |
F2 |
F3 |
F1 |
F2 |
F3 |
F1 |
F2 |
F3 |
F |
120 |
160 |
200 |
250 |
160 |
200 |
250 |
160 |
200 |
250 |
250 |
300 |
250 |
300 |
300 |
350 |
300 |
350 |
350 |
450 |
400 |
350 |
450 |
400 |
350 |
400 |
450 |
FQ |
— |
— |
— |
— |
— |
— |
— |
— |
— |
— |
— |
— |
— |
— |
— |
— |
— |
— |
— |
— |
— |
— |
— |
— |
— |
— |
— |
G(g6) |
80 |
110 |
130 |
180 |
110 |
130 |
180 |
110 |
130 |
180 |
180 |
230 |
180 |
230 |
230 |
250 |
230 |
250 |
250 |
350 |
300 |
250 |
350 |
300 |
250 |
300 |
350 |
R |
100 |
130 |
165 |
215 |
130 |
165 |
215 |
130 |
165 |
215 |
215 |
265 |
215 |
265 |
265 |
300 |
265 |
300 |
300 |
400 |
350 |
300 |
400 |
350 |
300 |
350 |
400 |
V |
9 |
10 |
13 |
15 |
10 |
13 |
15 |
10 |
13 |
15 |
15 |
15 |
15 |
15 |
15 |
19 |
15 |
19 |
19 |
19* |
18 |
19 |
19* |
18 |
19 |
19* |
19* |
U |
3 |
3.5 |
3.5 |
4 |
3 |
3.5 |
3.5 |
3 |
3.5 |
3.5 |
4 |
4 |
4 |
4 |
4 |
5 |
4 |
5 |
5 |
5 |
5 |
5 |
5 |
5 |
5 |
5 |
5 |
AMF |
IEC |
50 |
55 |
60 |
70 |
80 |
90 |
100 |
110 |
120 |
140 |
Y |
cMF |
Y |
cMF |
Y |
cMF |
Y |
cMF |
Y |
cMF |
Y |
cMF |
Y |
cMF |
Y |
cMF |
Y |
cMF |
Y |
cMF |
AMF../ |
B5 |
140 |
206 |
160 |
233.5 |
160 |
246 |
200 |
284.5 |
200 |
298 |
250 |
313 |
250 |
347.4 |
250 |
374 |
250 |
440 |
300 |
465 |
160 |
206 |
200 |
233.5 |
200 |
261 |
250 |
284.5 |
250 |
308 |
300 |
345 |
300 |
347.4 |
300 |
374 |
300 |
440 |
350 |
474 |
200 |
226 |
250 |
243.5 |
250 |
271 |
300 |
284.5 |
300 |
329 |
350 |
364 |
350 |
411.4 |
350 |
438 |
350 |
482.5 |
400 |
479 |
250 |
236 |
— |
300 |
295 |
— |
350 |
359 |
|
|
400 |
416.4 |
400 |
443 |
400 |
487.5 |
450 |
519 |
— |
450 |
496.5 |
550 |
519 |
B14 |
120 |
226 |
120 |
233.5 |
120 |
261 |
200 |
284.5 |
— |
200 |
347.4 |
200 |
374 |
200 |
440 |
— |
140 |
226 |
140 |
233.5 |
140 |
261 |
— |
— |
— |
— |
160 |
236 |
160 |
243.5 |
160 |
271 |
160 |
262 |
|
200 |
295 |
— |
AMF../3 |
B5 |
140 |
206 |
140 |
228 |
160 |
246 |
160 |
254.5 |
200 |
298 |
200 |
331 |
200 |
340.4 |
200 |
367 |
200 |
423 |
250 |
457 |
160 |
206 |
160 |
228 |
200 |
261 |
200 |
269.5 |
250 |
308 |
250 |
338.5 |
250 |
350.4 |
250 |
377 |
250 |
445 |
300 |
457 |
200 |
226 |
200 |
238 |
250 |
271 |
250 |
279.5 |
— |
300 |
370.4 |
300 |
397 |
300 |
452 |
350 |
499.5 |
— |
— |
400 |
504.5 |
450 |
513.5 |
— |
B14 |
120 |
226 |
120 |
238 |
120 |
261 |
120 |
269.5 |
200 |
457 |
140 |
226 |
140 |
238 |
140 |
261 |
140 |
269.5 |
— |
— |
160 |
271 |
160 |
279.5 |
ACF |
|
50 |
55 |
60 |
70 |
80 |
90 |
cCP |
ACF../2 |
167 |
— |
202 |
— |
241 |
— |
ACF../3 |
167 |
189 |
202 |
210.5 |
241 |
271 |
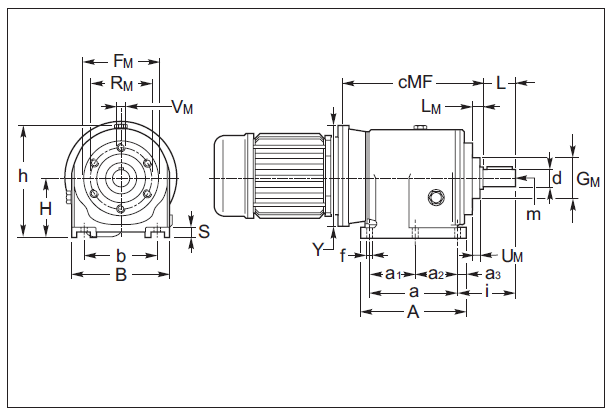
Вариант исполнения AMP/F 80

Вариант исполнения ACP/F 80

AM AC AR |
a |
a1 |
a2 |
a3 |
A |
b |
B |
cRP |
d h6 |
d1 j6 |
f |
h |
H |
i |
L |
L1 |
LRF |
m |
m1 |
Q |
S |
50 |
130 |
— |
— |
12.5 |
155 |
110 |
145 |
235 |
25 |
16 |
9.5 |
170 |
90 |
83 |
50 |
40 |
325 |
M8 |
M6 |
— |
15 |
(24) (30) |
(83) (93) |
(50) (60) |
(325) (335) |
(M8) (M10) |
55 |
165 |
15 |
195 |
135 |
180 |
/2 238.5 |
30 |
16 |
14 |
203 |
115 |
90 |
|
40 |
/2 338.5 |
M10 |
M6 |
11 |
23 |
/3 257.0 |
60 |
/3 357.0 |
60 |
165 |
15 |
195 |
135 |
185 |
280 |
30
(28) (35) |
19 |
14 |
210 |
115 |
101
(101) (111) |
60
(60) (70) |
40 |
380
(380) (390) |
M10 (M10)
(M10) |
M6 |
— |
20 |
70 |
195 |
20 |
235 |
150 |
210 |
/2 266.5 |
35 |
19 |
14 |
233 |
130 |
100 |
70 |
40 |
/2 376.5 |
M10 |
M6 |
13.5 |
23 |
/3 288.5 |
/3 398.5 |
80 |
205 |
20 |
245 |
170 |
230 |
317 |
40 |
24 |
20 |
265 |
140 |
123 |
80 |
50 |
447 |
M10 |
M8 |
— |
25 |
(38) |
(123) |
(80) |
(447) |
(M10) |
90 |
260 |
25 |
310 |
215 |
280 |
/2 332.5 |
50 |
24 |
20 |
307 |
195 |
140 |
100 |
50 |
/2 482.5 |
M12 |
M8 |
39.5 |
35 |
/3 347.5 |
(48) |
/3 497.5 |
(M12) |
110 |
310 |
25 |
360 |
250 |
320 |
422 |
60 |
28 |
23 |
351 |
225 |
160 |
120 |
60 |
602 |
M12 |
M8 |
36 |
35 |
120 |
310 |
27.5 |
365 |
250 |
350 |
491 |
60 |
38 |
23 |
415 |
225 |
191 |
120 |
80 |
691 |
M12 |
M10 |
— |
45 |
140 |
370 |
35 |
440 |
290 |
400 |
/2 458.5 |
70 |
38 |
27 |
423 |
270 |
185 |
140 |
110 |
/2 708.5 |
M16 |
M10 |
41.4 |
60 |
/3 508.0 |
/3 758.0 |
| - |
AMP/F. - ACP/F. |
50 |
55 |
60 |
70 |
80 |
90 |
110 |
120 |
140 |
FM |
110 |
110 |
110 |
Look picture |
156.9 |
155 |
Look picture |
230 |
Look picture |
GM(g6) |
74 |
74 |
74 |
114 |
110 (G6) |
170 |
LM |
16 |
16 |
16 |
20 |
20 |
23 |
31.5 |
26.5 |
45.5 |
RM |
94 |
94 |
94 |
Look picture |
136 |
130 |
Look picture |
200 |
Look picture |
VM |
M8 |
M8 |
M8 |
M10 |
M10 |
M12 |
UM |
7 |
6 |
6 |
7 |
13 |
10 |
10 |
18 |
22 |
| - |
IEC |
50 |
55 |
60 |
70 |
80 |
90 |
100 |
110 |
120 |
140 |
Y |
cMF |
Y |
cMF |
Y |
cMF |
Y |
cMF |
Y |
cMF |
Y |
cMP |
Y |
cMF |
Y |
cMF |
Y |
cMF |
Y |
cMF |
AMP/F../2 |
B5 |
140 |
206 |
160 |
233.5 |
160 |
246 |
200 |
284.5 |
200 |
298 |
250 |
313 |
250 |
347.4 |
250 |
374 |
250 |
440 |
300 |
465 |
160 |
206 |
200 |
233.5 |
200 |
261 |
250 |
284.5 |
250 |
308 |
300 |
345 |
300 |
347.4 |
300 |
374 |
300 |
440 |
350 |
474 |
200 |
226 |
250 |
244 |
250 |
271 |
300 |
284.5 |
300 |
329 |
350 |
364 |
350 |
411.4 |
350 |
438 |
350 |
482.5 |
400 |
479 |
250 |
236 |
— |
300 |
295 |
— |
350 |
359 |
— |
400 |
416.4 |
400 |
443 |
400 |
487.5 |
450 |
519 |
— |
450 |
496.5 |
550 |
519 |
B14 |
120 |
226 |
120 |
233.5 |
120 |
261 |
200 |
284.5 |
— |
200 |
347.4 |
200 |
374 |
200 |
440 |
— |
140 |
226 |
140 |
233.5 |
140 |
261 |
— |
— |
— |
— |
160 |
236 |
160 |
244 |
160 |
271 |
160 |
262 |
|
200 |
295 |
— |
AMP/F../3 |
B5 |
140 |
206 |
140 |
228 |
160 |
246 |
160 |
254.5 |
200 |
298 |
200 |
331 |
200 |
340.4 |
200 |
367 |
200 |
423 |
250 |
457 |
160 |
206 |
160 |
228 |
200 |
261 |
200 |
269.5 |
250 |
308 |
250 |
338.5 |
250 |
350.4 |
250 |
377 |
250 |
445 |
300 |
457 |
200 |
226 |
200 |
238 |
250 |
271 |
250 |
279.5 |
— |
300 |
370.4 |
300 |
397 |
300 |
452 |
350 |
499.5 |
— |
— |
400 |
504.5 |
450 |
513.5 |
— |
B14 |
120 |
226 |
120 |
238 |
120 |
261 |
120 |
269.5 |
200 |
457 |
140 |
226 |
140 |
238 |
140 |
261 |
140 |
269.5 |
— |
— |
160 |
271 |
160 |
279.5 |
ACP/F |
|
50 |
55 |
60 |
70 |
80 |
90 |
cCP |
ACP/F../2 |
167 |
— |
202 |
— |
241 |
— |
ACPF../3 |
167 |
189 |
202 |
210.5 |
241 |
271 |
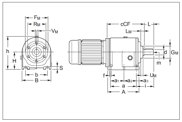
Вариант исполнения AMP/F1 80

Вариант исполнения ACP/F1 80

AM AC AR |
a |
a1 |
a2 |
a3 |
A |
b |
B |
cRP |
d h6 |
d1 j6 |
f |
h |
H |
i |
L |
L1 |
LRF |
m |
m1 |
Q |
S |
50 |
130 |
— |
— |
12.5 |
155 |
110 |
145 |
235 |
25 |
16 |
9.5 |
170 |
90 |
83 |
50 |
40 |
325 |
M8 |
M6 |
— |
15 |
(24) (30) |
(83) (93) |
(50) (60) |
(325) (335) |
(M8) (M10) |
55 |
165 |
15 |
195 |
135 |
180 |
/2 238.5 |
30 |
16 |
14 |
203 |
115 |
90 |
|
40 |
/2 338.5 |
M10 |
M6 |
11 |
23 |
/3 257.0 |
60 |
/3 357.0 |
60 |
165 |
15 |
195 |
135 |
185 |
280 |
30
(28) (35) |
19 |
14 |
21 |
115 |
101
(101) (111) |
60
(60) (70) |
40 |
380
(380) (390) |
M10 (M10)
(M10) |
M6 |
— |
20 |
70 |
195 |
20 |
235 |
150 |
210 |
/2 266.5 |
35 |
19 |
14 |
233 |
130 |
100 |
70 |
40 |
/2 376.5 |
M10 |
M6 |
13.5 |
23 |
/3 288.5 |
/3 398.5 |
80 |
205 |
20 |
245 |
170 |
230 |
317 |
40 |
24 |
20 |
265 |
140 |
123 |
80 |
50 |
447 |
M10 |
M8 |
— |
25 |
(38) |
(123) |
(80) |
(447) |
(M10) |
90 |
260 |
25 |
310 |
215 |
280 |
/2 332.5 |
50 |
24 |
20 |
307 |
195 |
140 |
100 |
50 |
/2 482.5 |
M12 |
M8 |
39.5 |
35 |
/3 347.5 |
(48) |
/3 497.5 |
(M12) |
110 |
310 |
25 |
360 |
250 |
320 |
422 |
60 |
28 |
23 |
352 |
225 |
160 |
120 |
60 |
602 |
M12 |
M8 |
36 |
35 |
120 |
310 |
27.5 |
365 |
250 |
350 |
491 |
60 |
38 |
23 |
415 |
225 |
191 |
120 |
80 |
691 |
M12 |
M10 |
— |
45 |
140 |
370 |
35 |
440 |
290 |
400 |
/2 458.5 |
70 |
38 |
27 |
423 |
270 |
185 |
140 |
110 |
/2 708.5 |
M16 |
M10 |
41.4 |
60 |
/3 508.0 |
/3 758.0 |
|
AMP/F1.. - ACP/F1.. |
50 |
55 |
60 |
70 |
80 |
90 |
100 |
110 |
120 |
140 |
F1 |
F2 |
F3 |
F4 |
F1 |
F2 |
F3 |
F1 |
F2 |
F3 |
F1 |
— |
F1 |
F2 |
F1 |
F2 |
F1 |
F2 |
F1 |
F2 |
F3 |
F1 |
F2 |
F3 |
F1 |
F2 |
F3 |
F |
120 |
160 |
200 |
250 |
160 |
200 |
250 |
160 |
200 |
250 |
250 |
250 |
300 |
300 |
350 |
300 |
350 |
350 |
450 |
400 |
350 |
450 |
400 |
350 |
400 |
450 |
FQ |
— |
— |
— |
— |
— |
— |
— |
— |
— |
— |
— |
— |
— |
— |
— |
— |
— |
— |
— |
— |
— |
— |
— |
— |
— |
— |
G(g6) |
80 |
110 |
130 |
180 |
110 |
130 |
180 |
110 |
130 |
180 |
180 |
180 |
230 |
230 |
250 |
230 |
250 |
250 |
350 |
300 |
250 |
350 |
300 |
250 |
300 |
350 |
R |
100 |
130 |
165 |
215 |
130 |
165 |
215 |
130 |
165 |
215 |
215 |
215 |
265 |
265 |
300 |
265 |
300 |
300 |
400 |
350 |
300 |
400 |
350 |
300 |
350 |
400 |
V |
9 |
10 |
13 |
15 |
10 |
13 |
15 |
10 |
13 |
15 |
15 |
15 |
15 |
15 |
19 |
15 |
19 |
19 |
19* |
18 |
19 |
19* |
18 |
19 |
19* |
19* |
U |
3 |
3.5 |
3.5 |
4 |
3 |
3.5 |
3.5 |
3 |
3.5 |
3.5 |
4 |
4 |
4 |
4 |
5 |
4 |
5 |
5 |
5 |
5 |
5 |
5 |
5 |
5 |
5 |
5 |
AMF |
IEC |
50 |
55 |
60 |
70 |
80 |
90 |
100 |
110 |
120 |
140 |
Y |
cMF |
Y |
cMF |
Y |
cMF |
Y |
cMF |
Y |
cMF |
Y |
cMF |
Y |
cMF |
Y |
cMF |
Y |
cMF |
Y |
cMF |
AMP/F1../2 |
B5 |
140 |
206 |
160 |
233.5 |
160 |
246 |
200 |
284.5 |
200 |
298 |
250 |
313 |
250 |
347.4 |
250 |
374 |
250 |
440 |
300 |
465 |
160 |
206 |
200 |
233.5 |
200 |
261 |
250 |
284.5 |
250 |
308 |
300 |
345 |
300 |
347.4 |
300 |
374 |
300 |
440 |
350 |
474 |
200 |
226 |
250 |
243.5 |
250 |
271 |
300 |
284.5 |
300 |
329 |
350 |
364 |
350 |
411.4 |
350 |
438 |
350 |
482.5 |
400 |
479 |
250 |
236 |
— |
300 |
295 |
— |
350 |
359 |
|
|
400 |
416.4 |
400 |
443 |
400 |
487.5 |
450 |
519 |
— |
450 |
496.5 |
550 |
519 |
B14 |
120 |
226 |
120 |
233.5 |
120 |
261 |
200 |
284.5 |
— |
200 |
347.4 |
200 |
374 |
200 |
440 |
— |
140 |
226 |
140 |
233.5 |
140 |
261 |
— |
— |
— |
— |
160 |
236 |
160 |
243.5 |
160 |
271 |
160 |
262 |
|
200 |
295 |
— |
AMP/F1../3 |
B5 |
140 |
206 |
140 |
228 |
160 |
246 |
160 |
254.5 |
200 |
298 |
200 |
331 |
200 |
340.4 |
200 |
367 |
200 |
423 |
250 |
457 |
160 |
206 |
160 |
228 |
200 |
261 |
200 |
269.5 |
250 |
308 |
250 |
338.5 |
250 |
350.4 |
250 |
377 |
250 |
445 |
300 |
457 |
200 |
226 |
200 |
238 |
250 |
271 |
250 |
279.5 |
— |
300 |
370.4 |
300 |
397 |
300 |
452 |
350 |
499.5 |
— |
— |
400 |
504.5 |
450 |
513.5 |
— |
B14 |
120 |
226 |
120 |
238 |
120 |
261 |
120 |
269.5 |
200 |
457 |
140 |
226 |
140 |
238 |
140 |
261 |
140 |
269.5 |
— |
— |
160 |
271 |
160 |
279.5 |
ACP/F1. |
|
50 |
55 |
60 |
70 |
80 |
90 |
cCP |
ACP/F1../2 |
167 |
— |
202 |
— |
241 |
— |
ACP/F1../3 |
167 |
189 |
202 |
210.5 |
241 |
271 |
|
| |