
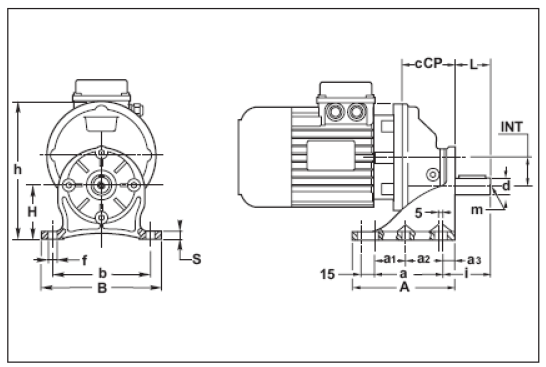
Габаритно-присоединительные размеры ACP 32, AMP 32, ACF 32, AMF 32, AR 32 |
| |
|
Вариант исполнения ARP 32

Вариант исполнения ACP 32

Вариант исполнения AMP 32

АМ АС AR |
а |
а1 |
а2 |
а3 |
А |
b |
B |
cRP |
d h6 |
d1 j6 |
f |
f1 |
h |
H |
i |
L |
L1 |
LRP |
m |
m1 |
S |
INT |
32 |
77 |
35 |
42 |
13 |
115 |
110 |
135 |
92 |
19
(14) |
16 |
9 |
5 |
153 |
60 |
53
(43) |
40
(30) |
40 |
172
(162) |
M6 |
M8 |
9 |
33 |
40 |
45 |
- |
- |
12 |
85 |
105 |
130 |
141 |
19
(20) |
16 |
8.5 |
2 |
162 |
50 |
53
(53) |
40
(40) |
40 |
221
(221) |
M6 |
M6 |
12 |
42 |
50 |
70 |
- |
- |
12 |
100 |
150 |
180 |
161 |
24
(25) |
16 |
11 |
7 |
181 |
63 |
56
(56) |
50
(50) |
40 |
251
(251) |
M8 |
M6 |
14 |
48 |
60 |
70 |
- |
- |
16 |
120 |
165 |
195 |
193 |
28
(30) |
19 |
11 |
8.5 |
221 |
80 |
67.5
(67.5) |
60
(60) |
40 |
293
(293) |
M10 |
M6 |
15 |
61 |
80 |
85 |
- |
- |
21 |
135 |
185 |
230 |
218 |
38
(40) |
24 |
14 |
- |
276 |
100 |
105 |
80 |
50 |
348 |
M10 |
M8 |
20 |
76 |
100 |
130 |
- |
- |
17 |
173 |
240 |
295 |
284,5 |
48
(50) |
28 |
18 |
- |
345 |
125 |
129 |
110 |
60 |
454 |
M12 |
M8 |
22 |
95 |
|
AMP../1 |
|
ACP../1 |
IEC |
32 |
40 |
50 |
60 |
80 |
100 |
32 |
40 |
50 |
60 |
80 |
100 |
Y |
cMP |
Y |
cMP |
Y |
cMP |
Y |
cMP |
Y |
cMP |
Y |
cMP |
cCP |
B5 |
120 |
92 |
140 |
125 |
140 |
132 |
160 |
159 |
200 |
199 |
250 |
236 |
59 |
86 |
93 |
115 |
142 |
189 |
140 |
92 |
160 |
125 |
160 |
132 |
200 |
174 |
250 |
209.5 |
300 |
236 |
160 |
92 |
200 |
145 |
200 |
152 |
250 |
184 |
300 |
230 |
350 |
300.5 |
200 |
102 |
250 |
155 |
250 |
162 |
300 |
208 |
350 |
260 |
400 |
305.5 |
B14 |
90 |
92 |
120 |
145 |
120 |
152 |
120 |
174.5 |
— |
— |
200 |
236 |
105 |
92 |
140 |
145 |
140 |
152 |
140 |
174.5 |
— |
— |
— |
— |
120 |
102 |
160 |
155 |
160 |
162 |
160 |
184 |
— |
— |
— |
— |
— |
— |
— |
— |
— |
— |
200 |
208 |
— |
— |
— |
— |
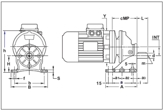
Вариант исполнения ARF 32

Вариант исполнения AMF 32

AM AC AR |
cRF |
d h6 |
d1 j6 |
L |
L1 |
LRF |
m |
m1 |
INT |
32 |
92 |
19
(14) |
16 |
30
(40) |
40 |
172
(162) |
M6 (M6) |
M6 |
33 |
40 |
141 |
19
(20) |
16 |
40
(40) |
40 |
221
(221) |
M6 (M6) |
M6 |
42 |
50 |
161 |
24
(25) |
16 |
50
(50) |
40 |
251
(251) |
M8 (M8) |
M6 |
48 |
60 |
193 |
28
(30) |
19 |
60
(60) |
40 |
293
(193) |
M10 (M10) |
M6 |
61 |
80 |
218 |
38
(40) |
24 |
80 |
50 |
248 |
M10 (M10) |
M8 |
76 |
100 |
284.5 |
48
(50) |
28 |
110 |
60 |
454 |
M12 (M12) |
M8 |
95 |
| |
|
32 |
40 |
50 |
60 |
80 |
100 |
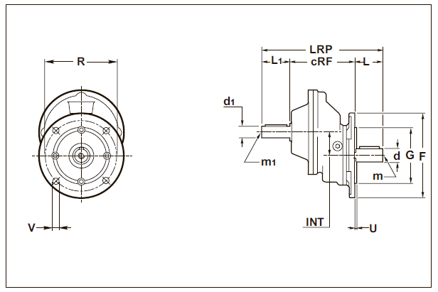
F1 |
F2 |
F3 |
F1 |
F2 |
F3 |
F4 |
F1 |
F2 |
F3 |
F4 |
F1 |
F2 |
F3 |
F1 |
F2 |
F1 |
F2 |
F |
120 |
140 |
160 |
120 |
140 |
160 |
200 |
120 |
140 |
160 |
200 |
160 |
200 |
250 |
250 |
300 |
250 |
300 |
G (g6) |
80 |
95 |
110 |
80 |
95 |
110 |
130 |
80 |
95 |
110 |
130 |
110 |
130 |
180 |
180 |
230 |
180 |
230 |
R |
100 |
115 |
130 |
100 |
115 |
130 |
165 |
100 |
115 |
130 |
165 |
130 |
165 |
215 |
215 |
265 |
215 |
265 |
V |
9 |
9 |
10 |
9 |
9 |
10 |
13 |
9 |
9 |
10 |
13 |
10 |
13 |
15 |
15 |
15 |
15 |
15 |
U |
3 |
3.5 |
3.5 |
3 |
3.5 |
3.5 |
3.5 |
3 |
3.5 |
3.5 |
3.5 |
3 |
3.5 |
3.5 |
4 |
4 |
4 |
4 |
| - |
AMF../1 |
|
ACF../1 |
IEC |
32 |
40 |
50 |
60 |
80 |
100 |
32 |
40 |
50 |
60 |
80 |
100 |
Y |
cMF |
Y |
cMF |
Y |
cMF |
Y |
cMF |
Y |
cMF |
Y |
cMF |
cCF |
B5 |
120 |
92 |
140 |
125 |
140 |
132 |
160 |
159 |
200 |
199 |
250 |
236 |
59 |
86 |
93 |
115 |
142 |
189 |
140 |
92 |
160 |
125 |
160 |
132 |
200 |
174 |
250 |
209.5 |
300 |
236 |
160 |
92 |
200 |
145 |
200 |
152 |
250 |
184 |
300 |
230,5 |
350 |
300.5 |
200 |
102 |
250 |
155 |
250 |
162 |
300 |
208 |
350 |
260 |
400 |
305.5 |
B14 |
90 |
92 |
120 |
145 |
120 |
152 |
120 |
174.5 |
— |
— |
200 |
236 |
105 |
92 |
140 |
145 |
140 |
152 |
140 |
174.5 |
— |
— |
— |
— |
120 |
102 |
160 |
155 |
160 |
162 |
160 |
184 |
— |
— |
— |
— |
— |
— |
— |
— |
— |
— |
200 |
208 |
— |
— |
— |
— |
|
| |